扫二维码与项目经理沟通
我们在微信上24小时期待你的声音
解答本文疑问/技术咨询/运营咨询/技术建议/互联网交流

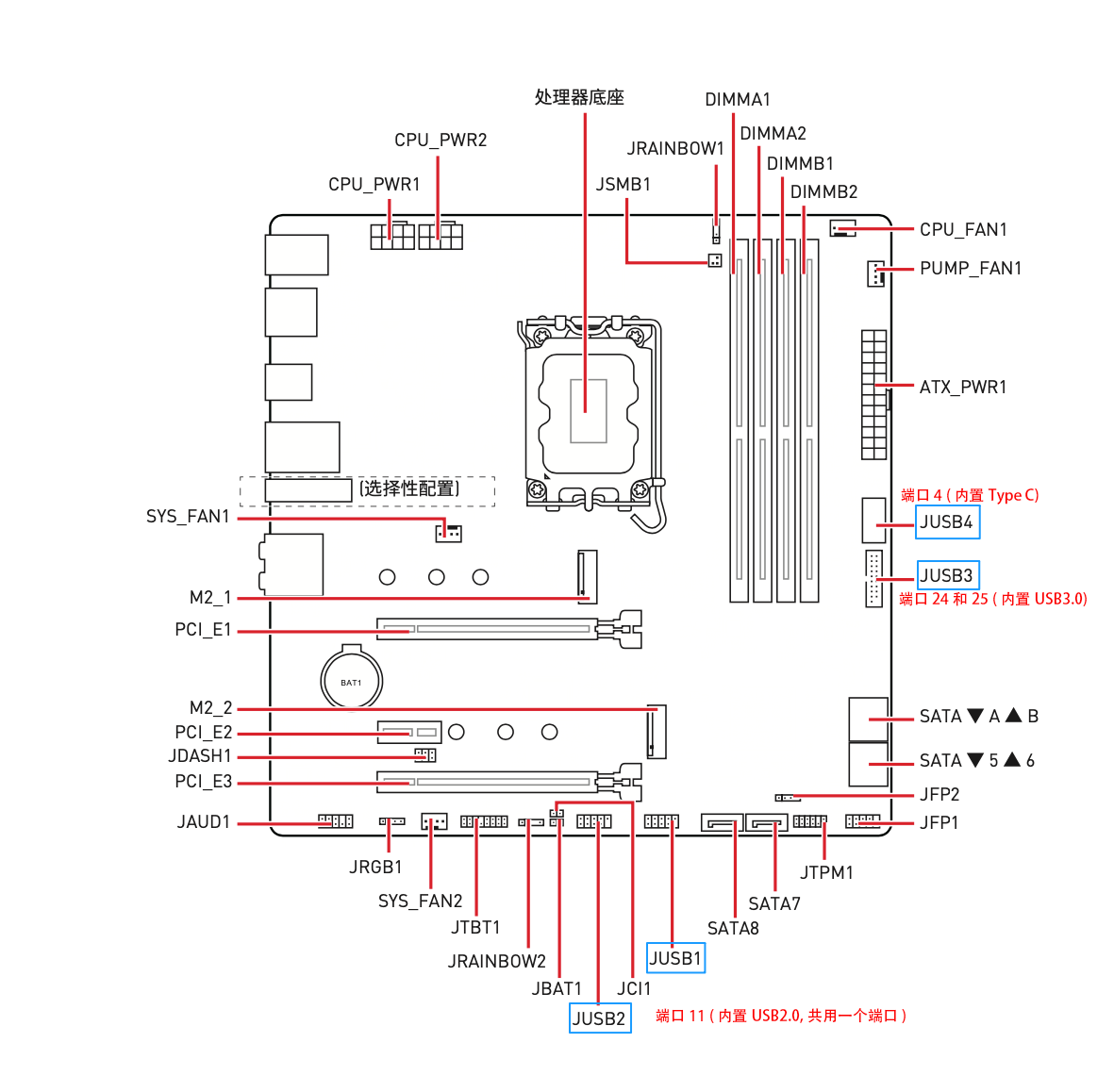
端口 1:外置Type-C
端口 2:主板灯效 MYSTIC LIGHT
端口 3:外置USB3.0插口插入USB2.0设备时使用此端口
端口 4:内置Type-C
端口 5,6,7,8:外置USB2.0插口
端口 9:内置USB3.0插口插入USB2.0设备时使用此端口(主板外接线引出两个插口)
端口 10:内置USB3.0插口插入USB2.0设备时使用此端口(主板外接线引出两个插口)
端口 11:内置USB2.0(主板JUSB1和JUSB2共引出4个插口共用此端口)
端口 14:无线蓝牙
端口 18:外置3个USB3.0插口
端口 24:内置USB3.0引出两个插口其中一端口
端口 25:内置USB3.0引出两个插口其中一端口




我们在微信上24小时期待你的声音
解答本文疑问/技术咨询/运营咨询/技术建议/互联网交流